Linear guide rails are essential mechanical components widely used in various industries for applications requiring precise motion control, high load-bearing capacity, and smooth linear movement.
Linear guide rails, also known as linear guides, are crucial components in various motion control systems, providing precise and smooth linear movement for a wide range of applications. Two popular types of linear guide rails are HGR and MGN series. While both serve the purpose of linear guidance,
In the realm of mechanical engineering and industrial applications, the precision and efficiency of motion control systems are paramount. Two key components that often come into play in these systems are linear rods and linear rails. While both are used to facilitate linear motion, they differ signi
Sliding doors are a popular choice in modern architecture, offering space-saving solutions and smooth functionality. A key component in ensuring their smooth operation is the curved linear guide system. This system reduces friction, enhances load-bearing capacity, and ensures precise movement control. Whether for residential, commercial, or industrial use, selecting the right curved linear guide rail is crucial for optimal performance. In this article, we’ll explore how curved guide rail systems work, their key components, and why they are ideal for sliding door applications. We will also discuss the different types of linear guide systems and their benefits.
Curved linear guide rails are essential mechanical components designed to provide smooth, precise motion along curved paths. These guide rails are used in a variety of industries, ranging from manufacturing to robotics, where precision movement and the ability to handle complex motion paths are critical. This article will explore the different types of curved linear guide rails, how they compare to traditional linear guide rails, and guide you on how to select the best solution for your applications.
A curved guide rail is a precision-engineered mechanical component designed to facilitate motion along a curved or circular path. Unlike traditional linear guide rails that operate along a straight line, curved guide rails enable machinery and equipment to move smoothly around bends or through complex motion trajectories. They are often used in systems requiring precision movement, such as CNC machinery, robotics, and automated conveyor systems.
CAGE GUIDEWAYS WITH LIMITED STROKE
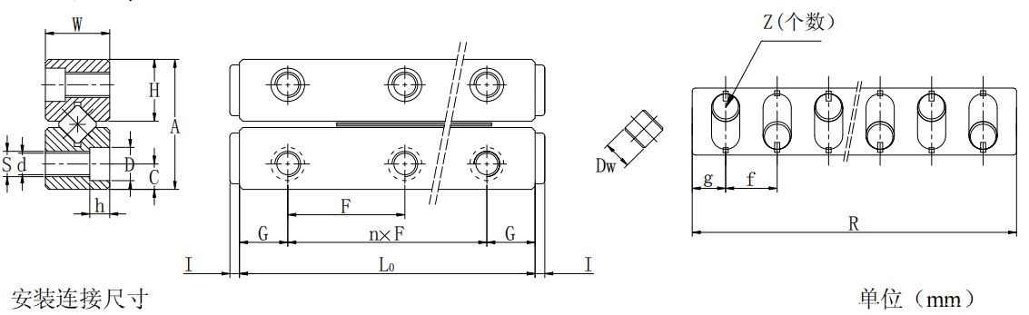
The cage guideways can be equipped with ROLLERS or BALLS or NEEDLES and are suitable for many applications in the medium to high requirement range. These products have limited stroke and provide rigid yet supple linear motion and are particularly suitable for linear guidance where high rigidity and supple movement are demanded.
-Cross-Roller Guide Model VR / Type R
VR Model Cross Roller Linear Guide is a guideway with roller cage, which is a limited stroke linear guide that has precision rollers orthogonalized alternately. The roller cage type R has a unique roller retaining mechanism to achieve a large effective contact length of the rollers and a short roller pitch interval. It is a highly rigid type. Type R Cross roller guideways work effectively to master the medium to high requirements.
Regular Sizes: Vr1, Vr2, Vr3, Vr4, Vr6, Vr9, Vr12
Lengths: 20 to 1000 mm
Material: Bearing Steel/Stainless Steel
Structure:4 Rails,2 Cages,8 End Screws and Rollers
Service: OEM Customized Service
Model: VR1 SERIES detailed length as follow table:
| VR1-20-5Z | VR1-50-13Z | VR1-80-21Z |
| VR1-30-7Z | VR1-60-16Z | |
| VR1-40-10Z | VR1-70-19Z |
Features:
1, Rolling friction resistance is small, good stability; Low starting friction. Good follow up performance,
2, Large contact area, small elastic deformation, small clearance.
3, Effective movement body, easy to achieve high rigidity, high load movement;
4, Flexible structure design, easy installation and use, long life;
5, Mechanical energy consumption and high precision, fast speed, large bearing capacity.
6, Easy assembly, high frequency, high wear resistance.
7, The best choice of high cost performance, short stroke and high precision.
Application:
The products are suitable for industrial automation robots, pneumatic components, numerical control machine tools, optical testing instruments, food machinery, medical machinery, printing machinery, laser cutting and welding machinery, electronic machinery, woodworking machinery, bearing grinding processing equipment and other precision mechanical processing equipment. All products are made of high quality raw materials, advanced production equipment, exquisite manufacturing technology, complete testing means, to ensure that every product of our company is in line with the technical indicators of the industry.
Parameter:
VR Series
CAGE GUIDEWAYS WITH LIMITED STROKE
The cage guideways can be equipped with ROLLERS or BALLS or NEEDLES and are suitable for many applications in the medium to high requirement range. These products have limited stroke and provide rigid yet supple linear motion and are particularly suitable for linear guidance where high rigidity and supple movement are demanded.
-Cross-Roller Guide Model VR / Type R
VR Model Cross Roller Linear Guide is a guideway with roller cage, which is a limited stroke linear guide that has precision rollers orthogonalized alternately. The roller cage type R has a unique roller retaining mechanism to achieve a large effective contact length of the rollers and a short roller pitch interval. It is a highly rigid type. Type R Cross roller guideways work effectively to master the medium to high requirements.
Regular Sizes: Vr1, Vr2, Vr3, Vr4, Vr6, Vr9, Vr12
Lengths: 20 to 1000 mm
Material: Bearing Steel/Stainless Steel
Structure:4 Rails,2 Cages,8 End Screws and Rollers
Service: OEM Customized Service
Model: VR1 SERIES detailed length as follow table:
| VR1-20-5Z | VR1-50-13Z | VR1-80-21Z |
| VR1-30-7Z | VR1-60-16Z | |
| VR1-40-10Z | VR1-70-19Z |
Features:
1, Rolling friction resistance is small, good stability; Low starting friction. Good follow up performance,
2, Large contact area, small elastic deformation, small clearance.
3, Effective movement body, easy to achieve high rigidity, high load movement;
4, Flexible structure design, easy installation and use, long life;
5, Mechanical energy consumption and high precision, fast speed, large bearing capacity.
6, Easy assembly, high frequency, high wear resistance.
7, The best choice of high cost performance, short stroke and high precision.
Application:
The products are suitable for industrial automation robots, pneumatic components, numerical control machine tools, optical testing instruments, food machinery, medical machinery, printing machinery, laser cutting and welding machinery, electronic machinery, woodworking machinery, bearing grinding processing equipment and other precision mechanical processing equipment. All products are made of high quality raw materials, advanced production equipment, exquisite manufacturing technology, complete testing means, to ensure that every product of our company is in line with the technical indicators of the industry.
Parameter:
VR Series